����
|
English
�s�����ơG
���|²��
�z�ƪ�����
���|²�v
��´��t
�ө����~
�A�ȶ���
�|���W��
�X���~
�ʶR�Z��
�u�W�Z���w��
�귽�M��
�i���R�D
�������R
��ƤU��
���Ѥ���
�u�W�ҵ{
�ө��`��
GLA
�зǻP����
�U��зǾ��c
�����˴����
�����з�
�s�i�Z�n
���|�Z��
�����x
�ӽФJ�|
�|���v�Q�P�q��
�U���J�|�ӽЮ�
�q�l��
�@
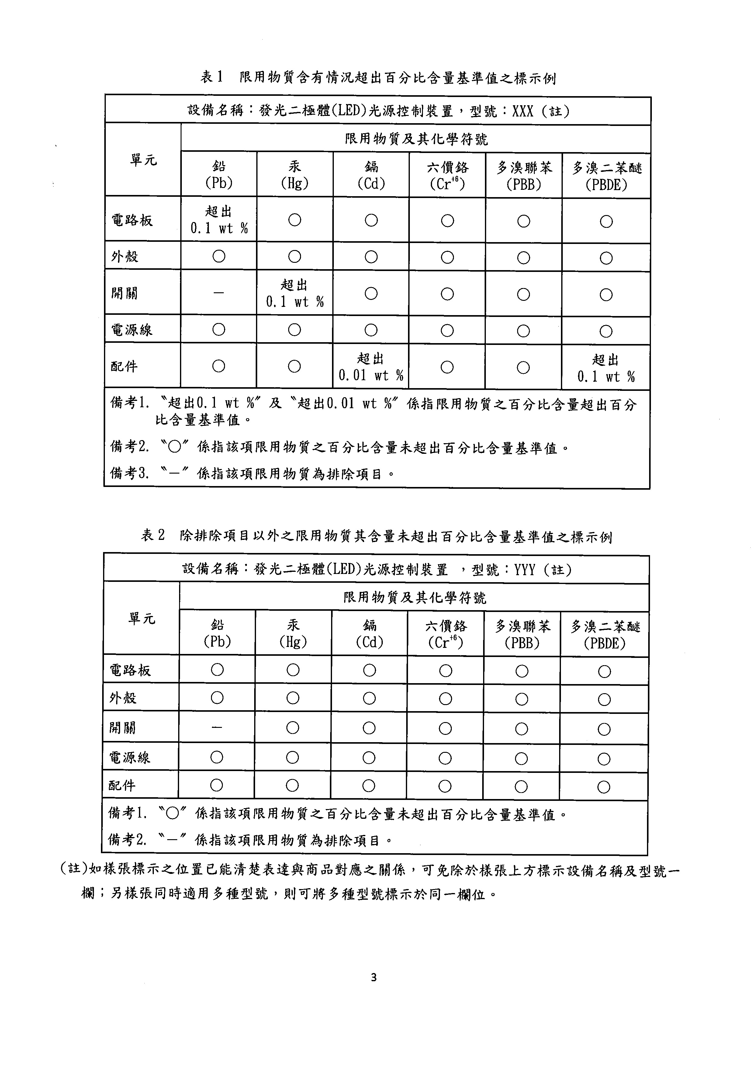
經濟部標準檢驗局-「應施檢驗發光二極體(LED)光源控制裝置商品之相關檢 驗規定」訂定草案
�o������G
2025/10/1
�U���ɮ�
�@